产 品 列 表
电控位移台系列
没有小分类
手动位移台系列
没有小分类
镜架系列
没有小分类
杆架系列
没有小分类
底板系列
没有小分类
光纤调整架系列
没有小分类
光具座系列
没有小分类
附件系列
没有小分类
光学平台
没有小分类
产品展示
>>
手动位移台系列
精密升降台
BS5-1V微型升降台
本产品采用精研螺纹副提供升降,运动舒适平滑,结构精巧,特别加装锁紧手轮。
技术指标
行程:5mm
驱动:手动螺旋
分辨率:0.003mm
负载:3kg
自重:0. 05kg
BS5-1/ BS5-1C精密升降台
本产品采用变比例楔块技术,配合精密线性轴承,精度高,承载大,经久耐用。测微头或微调螺纹副直进驱动,方便操作。
BS5-1/BS5-1C
BS13-1/ BS13-1C 精密升降台
本产品精选进口高品质线性轴承副作导轨,过定位导轨系保证运动平稳舒适,精度高。
BS13-1/BS13-1C
BS60-1精密升降台
本产品采用剪形升降支撑,精研丝杆驱动,双导轨五轴过定位机构保证运动绝对平稳,舒适,精度高,承载大。上下两面多孔位设计,适用性强,均可作安装面。配有锁紧手轮。
技术指标
行程:60mm
驱动:精研丝杠副
分辨率:0.01mm
负载:20kg
自重:1.3kg
BS100-1精密升降台
本产品采用滚珠螺杆和减速机驱动,四根导柱导套做导轨,操作舒适,易于控制升降尺寸。输入转速与输出高度为线性比例关系。
技术指标
行程:100mm
驱动:滚珠螺杆
分辨率:0.01mm
负载:300kg
自重:17kg
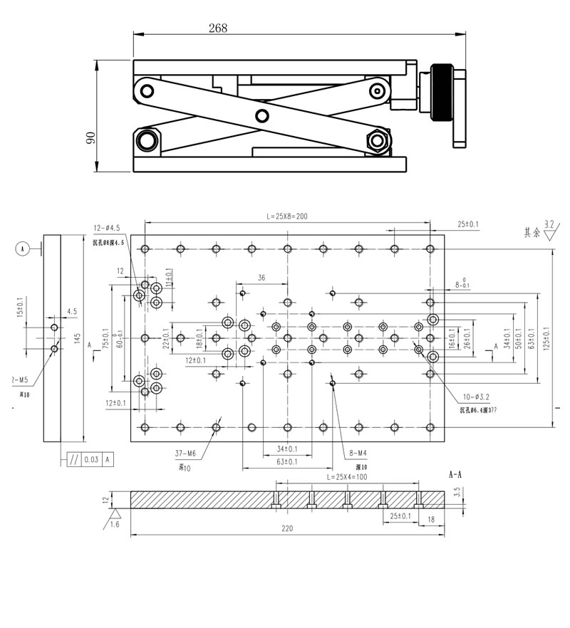
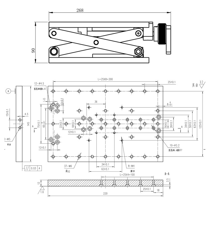
BS120-1精密升降台
本产品采用剪式升降支撑,精研双燕尾副作为导轨,过五轴研配连动定位,精研丝杠驱动,并配有锁紧手轮。使得平台升降平稳,并锁紧在任意位置,台面与底板的平行基本不变,整个升降平台在升降过程中不会出现晃动。刚性结构好,稳定性好,适用于高精度光学系统。
技术指标
行程:120㎜
分辨率:0.01㎜
导轨:精研双燕尾副
驱动:精研丝杠副
负载:100㎏
自重:7.8kg
BS120-2精密升降台
本产品采用剪形升降支撑,精研丝杠驱动,双导轨五轴过定位机构保证运动绝对平稳,舒适,精度高,承载大。配有锁紧手轮。
技术指标
行程:120mm
驱动:精研丝杠副
分辨率:0.01mm
负载:30kg
自重:5kg
`
BS150-1精密升降台
本产品采用滚珠螺杆和减速机驱动,四根线性轴承做导轨,升降高度大,稳定性好,精度高,承载大。
技术指标
行程:150mm
驱动:滚珠螺杆
分辨率:0.01mm
负载:200kg
自重:37kg
BS500-1精密升降台
本产品采用滚珠螺杆和减速机驱动,四根线性轴承做导轨,升降高度大,稳定性好,精度高,承载大。
技术指标
行程:500mm
驱动:滚珠螺杆
分辨率:0.01mm
负载:200kg
自重:50kg
点击数:4496 录入时间:2012/4/10 【
打印此页
】【
返回
】【
顶部
】
版权所有©北京华维浩润仪器有限公司 2004-2020
京ICP备06001113号