产 品 列 表
电控位移台系列
没有小分类
手动位移台系列
没有小分类
镜架系列
没有小分类
杆架系列
没有小分类
底板系列
没有小分类
光纤调整架系列
没有小分类
光具座系列
没有小分类
附件系列
没有小分类
光学平台
没有小分类
产品展示
>>
光纤调整架系列
精密光纤耦合器
我公司提供的多种光纤耦合器,可实现光纤与光纤、光纤与其它器件耦合,技术成熟,质量稳定。
FC101精密光纤耦合器
可对光纤进行的五维调整。以光纤轴向为X轴,此耦合器可沿X、Y、Z方向直线调整Tx、 Ty、 Tz,绕Y、Z轴倾斜调整θy、θz。Ty、Tz、 θy、 θz采用M6X0.25细牙微调螺纹副调节,Tx采用0.5螺距细牙螺杆调节,调整精细,稳定,重复性好。X轴位置为Ф6.35mm通孔,可装卡本公司生产的FG系列光纤卡头。
Tx: 6mm, 分辨率:0.001mm
Ty: ±2mm, 分辨率:0.0005mm
Tz: ±2mm, 分辨率:0.0005mm
θy: ±4
o
, 分辨率:5’’
θz: ±4
o
, 分辨率:5’’
FC101
FC111精密光纤耦合器
本产品是将FC101精密光纤耦合器与显微物镜座一体化, 并且其底板上的安装孔更容易将其与其他调整架连接。
Tx: 6mm, 分辨率Resolution:0.001mm
Ty: ±2mm, 分辨率Resolution:0.0005
Tz: ±2mm, 分辨率Resolution:0.0005
θy: ±4
o
, 分辨率Resolution:5’’
θz: ±4
o
, 分辨率Resolution:5’’
FC111
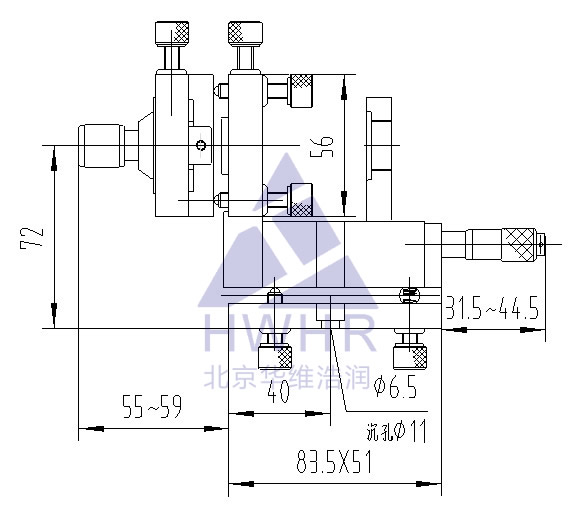
FC201精密光纤耦合器
本产品是FC111的改进产品,将显微物镜座改进为由测微头驱动的可移动式,使Tx调整范围更大,更方便且可定量。导轨采用精密线性滚珠导轨副,运动稳定,精度高。
Tx: 6mm
Ty: ±2mm
Tz: ±2mm
θy: ±4
o
θz: ±4
o
显微物镜调整范围:13mm
双轴倾斜调整范围:±4
o
FC201
点击数:4153 录入时间:2007/11/17 【
打印此页
】【
返回
】【
顶部
】
版权所有©北京华维浩润仪器有限公司 2004-2020
京ICP备06001113号